







Focar VARIA 2Rh H2O
Vezi portofoliul nostru de lucrări aici.
Program Rabla pentru Sobe este acum disponibil!
Schimbă-ți soba veche cu una nouă, mai eficientă și mai ecologică.
Află mai multe →Termosemineu Varia 2Rh H₂O Spartherm: O Combinatie de Design German si Eficienta Energetica
Termosemineu Varia 2Rh H₂O Spartherm reprezinta varful de lance al tehnologiei germane in domeniul incalzirii. Proiectat si fabricat in Germania, acest model impresioneaza prin eficienta si estetica sa, fiind o alegere ideala pentru cei care doresc sa combine confortul termic cu un design interior modern.
Design Inovator si Performanta Exceptionala
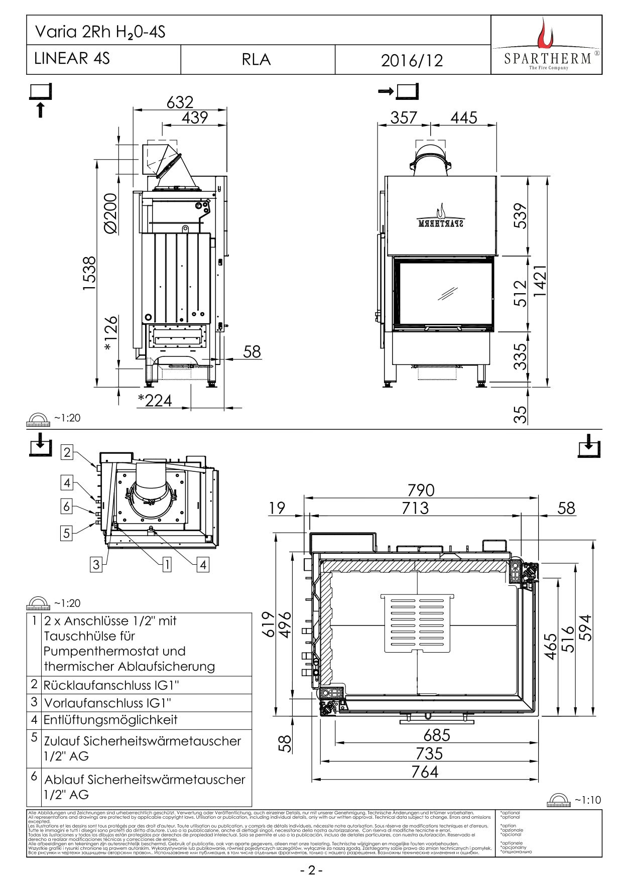
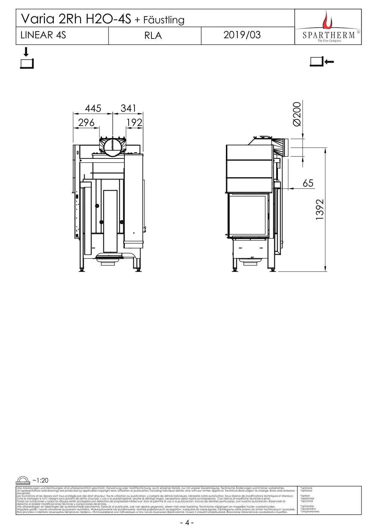
Termosemineu Varia 2Rh H₂O Spartherm este conceput cu doua laturi vitrate, oferind o vizibilitate excelenta asupra flacarilor din orice unghi al camerei. Acesta se caracterizeaza printr-o inaltime de 1421 mm, o latime de 797 mm si o adancime de 618 mm, dimensiuni care il fac adaptabil pentru diverse spatii de locuit. Designul sau minimalist si modern este completat de performantele de top in ceea ce priveste incalzirea, avand o putere nominala de 10,4 kW si o eficienta energetica de 80%.
Eficienta si Sustenabilitate cu un Termosemineu Varia 2Rh H₂O Spartherm
Eficienta Energetica: Un Avantaj Cheie
Modelul Termosemineu Varia 2Rh H₂O Spartherm este nu doar un punct de atracție în orice locuință, dar și un mijloc eficient de reducere a consumului de energie. Cu o putere nominală în apă de 5.9 kW, acesta poate fi integrat în sistemul de încălzire centrală al casei, contribuind la reducerea costurilor energetice pe termen lung. Mai mult, cu o eficiență de 80%, acest termosemineu transformă aproape întreaga cantitate de combustibil utilizat în căldură pură, minimizând pierderile energetice. Acest avantaj este crucial într-o eră unde sustenabilitatea devine o prioritate globală, iar alegerea unor soluții de încălzire eco-friendly poate avea un impact semnificativ asupra amprentei de carbon a unei locuințe.
Caracteristici Tehnice Superioare
Performanta si Siguranta: Piloni de Baza
Diametrul cosului de fum al Termosemineului Varia 2Rh H₂O Spartherm este de 13.5 kW, optimizat pentru o evacuare eficienta a fumului. Aceasta caracteristica asigura ca termosemineul functioneaza nu doar eficient, dar si in conditii de siguranta, respectand normele europene de emisii si eficienta energetica. Pe langa acestea, termosemineul este prevazut cu o garantie de 5 ani, oferind astfel liniste si siguranta in utilizare pe o perioada extinsa.
Integrare Perfecta in Oricare Decor
Estetica: Combinand Functionalitatea cu Stilul
Datorita designului sau modern, cu linii curate si finisaje de inalta calitate, Termosemineu Varia 2Rh H₂O Spartherm se integreaza armonios in orice tip de decor interior. Fie ca vorbim despre un ambient rustic, clasic sau contemporan, termosemineul Spartherm adauga o nota de eleganta si stil, transformand orice incapere intr-un spatiu primitor si calduros.
Usurinta de Utilizare si Intretinere
Practicitate si Durabilitate
Un alt avantaj major al Termosemineului Varia 2Rh H₂O Spartherm este ușurința sa de utilizare și întreținere. Sistemul de control al arderii este intuitiv, permițând ajustarea rapidă și simplă a parametrilor de funcționare. Întreținerea regulată este minimă, modelul fiind proiectat pentru a acumula cât mai puțin reziduu, ceea ce contribuie la o durată de viață lungă a termosemineului și la menținerea eficienței sale energetice. Robust și construit pentru a rezista, acest termosemineu garantează performanță de lungă durată chiar și cu utilizare intensă, fără a necesita intervenții frecvente de service.
legerea Ideala pentru Confort Durabil
Termosemineu Varia 2Rh H₂O Spartherm este o solutie ideala pentru cei care cauta un sistem de incalzire care ofera nu doar performanta si eficienta, dar si un design care sa completeze estetica locuintei. Prin integrarea acestui termosemineu in casa dumneavoastra, veti beneficia de caldura si confort pe durata intregului an, optimizand in acelasi timp consumul de energie si impactul asupra mediului.
Alegand Termosemineu Varia 2Rh H₂O Spartherm, alegeti o solutie de incalzire de top, care garanteaza nu doar caldura si confort, dar si o eficienta energetica superioara, contribuind la un stil de viata mai sustenabil si la o casa mai primitoare si eleganta.

Ce spun clienții noștri
Maria P.
Recomand cu drag.
Apelez la echipa Șeminee Ardeal pentru serviciile lor de coșerit și pentru verificarea anuală a șemineului. Sunt foarte multumit de serviciile și de promptitudinea lor. Recomand cu încredere! Noi cu siguranță vom continua să apelăm la ei pentru fiecare întrebare, verificare și reparație.
Andrei M.
Profesioniști și atat.
Deținem o pizzerie în care avem un cuptor pe lemne. Ni se recomandă o curățare a cuptorului și a coșului de fum la un interval de maxim 6 luni, atât din motive de siguranță, cât și din motive de igienă alimentară. Pentru fiecare verificare și curățare, apelăm cu încredere la echipa Șeminee Ardeal.




